gt
Geberit
trade
специализированный маркетплейс
Как это работает?
1
Выбираете товар
Добавьте интересующие вас товары в корзину
2
Оформляете заказ
Заполните все поля формы, чтобы получить предложение
3
Получаете предложения
В ближайшее время с вами свяжется менеджер для уточнения деталей

240.510 00.1 Geberit блок коромысел в Крымске

(0 товаров)
240.510 00.1 Geberit блок коромысел купить: 103 предложения от 46 поставщиков по ценам от 508 ₽ до 34 071 ₽
Все
geberit 136.913 21.2
geberit 111.300 00.5
geberit duofix up320 111.300 00.5
geberit duofix 111.300 00.5 up320
geberit 111.362 00.5
geberit omega 30 115.080 km 1
geberit 150.520 21.6
geberit duofix sigma 111.300 00.5
Блок питания Geberit 115.861.00.1 для систем электронного управления смывом унитаза Geberit Sigma10 и Sigma80
Блок питания Geberit 115.861.00.1 для систем электронного управления смывом унитаза Geberit Sigma10 и Sigma80
4.5
47 оценок
0 отзывов
    Характеристики
  • Страна-изготовитель: Швейцария
  • Тип ?text: Кнопка слива для инсталляции
  • Управление: Электронное
  • Цвет производителя: Белый
  • Ширина, см: 7.7
21 083
21 083
21 083
458.103 00.1 geberit
458.103 00.1 geberit
4.4
69 оценок
0 отзывов
    Характеристики
  • Ширина, мм: 500
  • Глубина, мм: 120
  • Комплект с унитазом: Нет
  • Назначение: для унитаза
  • Производитель_инст: Geberit
28 500
28 500
28 500
Блок питания Geberit 115.861.00.1, 115.861.00.1
Блок питания Geberit 115.861.00.1, 115.861.00.1
4.5
52 оценки
0 отзывов
    Характеристики
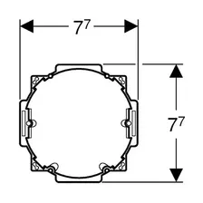
  • Ширина, см: 7.7
  • Высота, см: 7.7
  • Дополнительная информация: защитный рукав 170 см
  • Подходит только для: серии Geberit Sigma
  • Универсальность: нет
6 330
6 330
6 330
Комплект крепления к стене Geberit Duofix 111.815 00.1 (крепежных элементов) для инсталляции
Комплект крепления к стене Geberit Duofix 111.815 00.1 (крепежных элементов) для инсталляции
4.5
49 оценок
0 отзывов
    Характеристики
  • Производитель: Geberit
  • Страна производства: Швейцария
  • Страна-родина бренда: Швейцария
  • Тип: комплект крепления к стене для инсталляции
  • Артикул: 111.815.00.1
2 350
2 350
2 350

Видео

Смотрите также

Города